Обладнання
Про компанію
Партнери
Проєкти
Застосування
Новини
Навчання
Контакти
Розпродаж
ua
en
Шукати
0
Головна
Обладнання
Контрольно-вимірювальні прилади
Енкодери (датчики переміщення, тросові енкодери)
Інкрементальні Енкодери
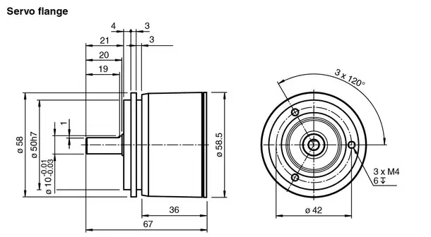
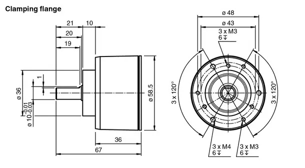
ENI58IL-S* Інкрементальний енкодер. Корпус 58 мм, суцільний вал, серво або затискний фланець, до 5000 імпульсів
Назад
ENI58IL-S* Інкрементальний енкодер. Корпус 58 мм, суцільний вал, серво або затискний фланець, до 5000 імпульсів
Виберіть область застосування
ENI58IL-S_t215147_eng.pdf
Енкодер, тип ENI58IL-S10CA5-0500UD1-RC2
ua
en
Обладнання
Про компанію
Партнери
Проєкти
Застосування
Новини
Навчання
Контакти
Розпродаж
Пошук
Повідомлення
×
Повідомлення